Highlighting the signal lines associated with a block

Contents

Mouseover Highlights

When you mouse over a signal line on a CAD or CLD diagram, the line is highlighted in yellow. This feature can help with parsing the connections on a CAD sheet visually.

In the example below, the actual mouseover is on a line connected to an Input Reference, but that same block is also connected to an Output Reference on the same sheet, and its use there is also highlighted.

Highlighted-lines.png

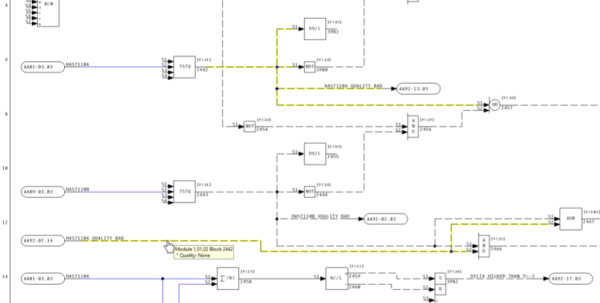
Block and Quality Information

The tooltip shown when you mouse over a signal line shows the relevant block number, as well as information about whether a block has quality, and if so, of what types.

Quality-tooltip-1.png

Quality-tooltip-2.png


Sticky Highlights

If you click on a line while it is highlighted yellow, the highlight will "stick" and turn orange. You can clear the sticky highlight by

Highlighted-lines-sticky.png


See also